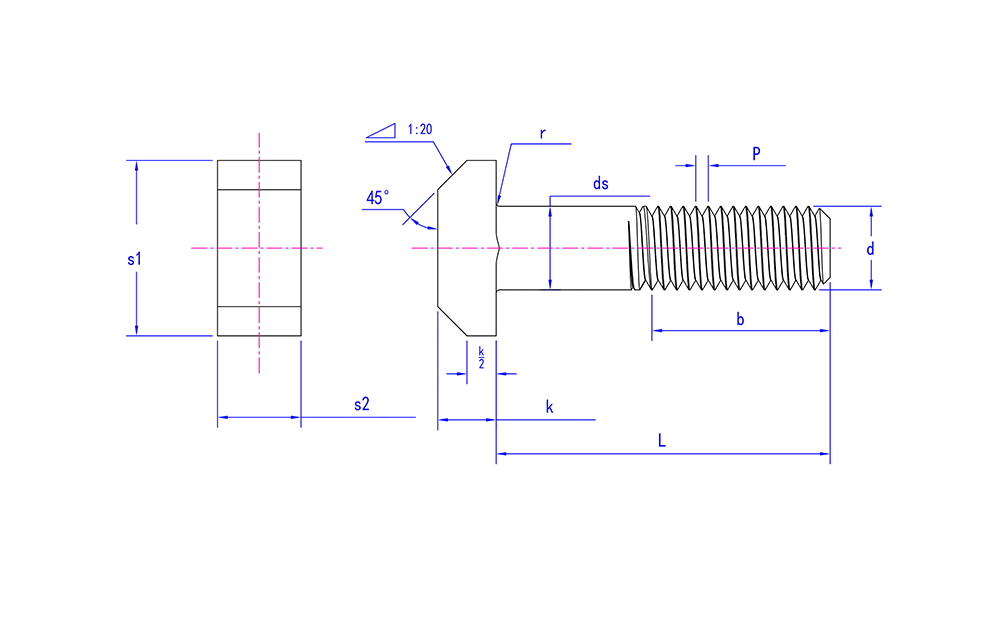
สลักเกลียวตัว T สเตนเลส DIN 261
| คุณสมบัติหัว | คอเสื้อแบบ T-type มาตรฐาน |
| คุณสมบัติของร็อด | รางเลื่อนแบบฝังร่อง |
| วัตถุประสงค์หลัก | ติดตั้งและถอดได้รวดเร็ว เหมาะสำหรับการใช้งานที่มีโหลดสูง |
| ข้อดีและคุณสมบัติ | การออกแบบรูปตัว T เพื่อให้ติดตั้งและถอดออกได้ง่าย |
| การใช้งานทั่วไป | การใช้งานที่มีโหลดสูง การติดตั้งและถอดชิ้นส่วนอย่างรวดเร็ว ยานยนต์ รถไฟ อุปกรณ์เครื่องจักร |
| ตัวชี้วัดสำคัญสำหรับการคัดเลือก | รูปทรงหัว T, ความยาวโบลต์, เส้นผ่านศูนย์กลาง, ประเภทของเกลียว, การรักษาพื้นผิว (ป้องกันการกัดกร่อน) |
| ข้อกำหนดเฉพาะอุตสาหกรรม | อุตสาหกรรมรางรถไฟ : ใช้สำหรับยึดรับน้ำหนักมาก และต้องทนแรงสั่นสะเทือน อุปกรณ์รับน้ำหนักสูง: เหมาะสำหรับสถานการณ์ที่ต้องการการถอดแยกชิ้นส่วนอย่างรวดเร็วและการเชื่อมต่อรับน้ำหนักสูง |














