สลักเกลียวหัว T สเตนเลส DIN186 พร้อมสลักเกลียวคอเหลี่ยม
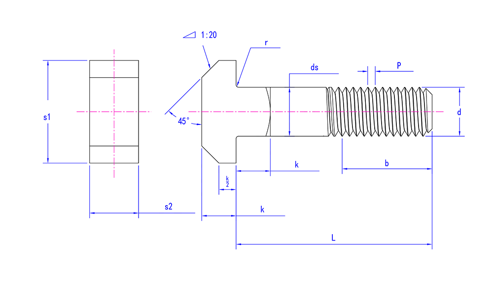
| คุณสมบัติหัว | คอสี่เหลี่ยมป้องกันการหมุนหัว T-type |
| คุณสมบัติของร็อด | ป้องกันการหมุนสองครั้ง |
| วัตถุประสงค์หลัก | ป้องกันการหมุน เพิ่มความมั่นคง |
| ข้อดีและคุณสมบัติ | การออกแบบคอเหลี่ยมช่วยป้องกันการหมุนของโบลท์ เหมาะสำหรับการยึดงานหนัก |
| การใช้งานทั่วไป | ป้องกันการหมุน การเชื่อมต่อรับน้ำหนักสูง เช่น อุปกรณ์ขนาดใหญ่ เครื่องจักรกลหนัก |
| ตัวชี้วัดสำคัญสำหรับการคัดเลือก | รูปทรงหัว T, ขนาดคอเหลี่ยม, ความยาวโบลท์, เส้นผ่านศูนย์กลาง, ความยาวเกลียว, วัสดุ |
| ข้อกำหนดเฉพาะอุตสาหกรรม | เครื่องจักรกลหนัก: เหมาะสำหรับอุปกรณ์ที่รับน้ำหนักสูงและจำเป็นต้องป้องกันการหมุนของโบลต์ อุตสาหกรรมยานยนต์:ใช้สำหรับการเชื่อมต่อที่มีความแข็งแรงสูงซึ่งป้องกันการหมุนของโบลท์ |

















